11. Válvula con pilotaje neumático

El pilotaje neumático consiste en mover una válvula de posición gracias a la fuerza del aire a presión.

A continuación puede verse el símbolo de una válvula con pilotaje neumático:

Símbolo de la válvula 5/2 con doble pilotaje neumático.

Símbolo de la válvula 5/2 con doble pilotaje neumático.

El pilotaje neumático tiene dos grandes ventajas:

  1. Permite mover con facilidad grandes válvulas.

    Una válvula 5/2 para un cilindro grande debe ser también grande y, por lo tanto, difícil de mover manualmente. Gracias al pilotaje neumático una pequeña válvula fácil de manejar puede mover grandes válvulas sin apenas esfuerzo.

    Válvula 5/2 con doble pilotaje neumático.

    Válvula 5/2 grande y pesada con doble pilotaje neumático accionado por pequeñas válvulas 3/2 manuales.

  2. Permite automatizar los movimientos.

    Gracias al pilotaje neumático la propia instalación neumática puede accionar la válvula del cilindro para producir movimientos automáticos. Por ejemplo, una válvula de final de carrera con rodillo neumática puede hacer que el vástago de un cilindro vuelva a entrar una vez que ha detectado que ha salido del todo.

    Válvula 5/2 con pilotaje neumático automático.

    Válvula 5/2 con pilotaje neumático automático.

Ejercicios

  1. Dibuja el símbolo de una válvula 5/2 con doble pilotaje neumático.

  2. ¿Qué ventajas tiene el pilotaje neumático de las válvulas?

  3. Dibuja el esquema de un cilindro de doble efecto, accionado por una válvula 5/2 de doble pilotaje neumático, que a su vez es pilotada por dos válvulas 3/2 manuales.

  4. Simula el funcionamiento del circuito anterior.

  5. Explica el funcionamiento del circuito anterior y sus ventajas.

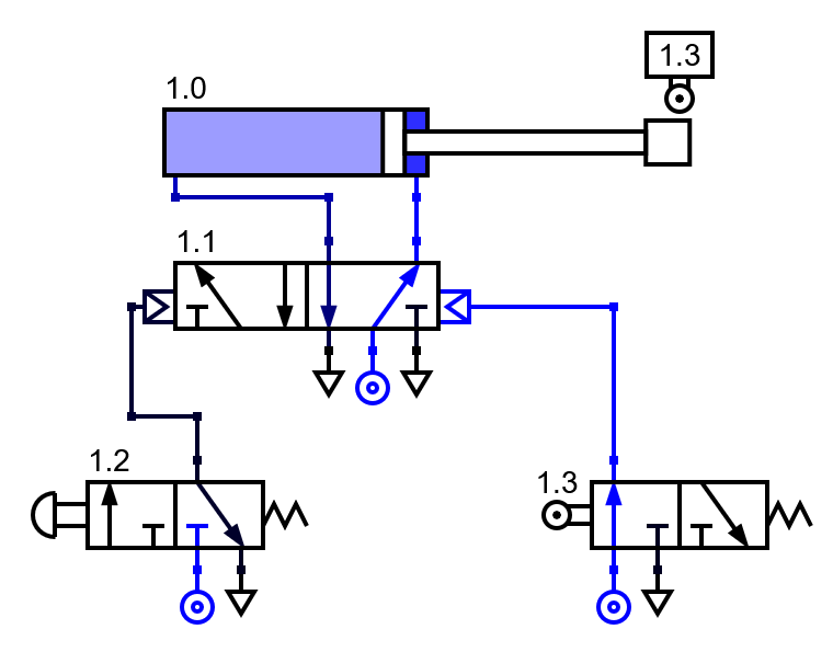
  6. Dibuja el esquema de un cilindro de doble efecto, accionado por una válvula 5/2 de doble pilotaje neumático, que a su vez es pilotada por una válvula 3/2 manual para que el cilindro salga y por una válvula de rodillo (de final de carrera) para que el cilindro entre.

  7. Simula el funcionamiento del circuito anterior.

  8. Explica el funcionamiento del circuito anterior y sus ventajas.