10. La válvula antirretorno¶
Una válvula antirretorno, también llamada válvula de retención, tiene la tarea de permitir el paso del aire a presión en un sentido y cortar por completo el paso del aire a presión en el sentido contrario.
Su posición suele ser la que aparece en los siguientes símbolos, por lo que estas válvulas permiten la circulación de aire a presión hacia arriba y cortan el paso del aire a presión hacia abajo:
Símbolos de la válvula antirretorno cerrada y abierta.¶
La construcción interna de estas válvulas se hace con una esfera y un cono como el de un embudo en el que encaja la esfera.
Cuando el aire a presión llega desde arriba, la esfera se enclava en el embudo gracias a la presión del muelle y del propio aire a presión. En esta posición la esfera no permite el paso de aire hacia abajo:
Cuando el aire a presión llega desde abajo, la esfera se levanta por la presión del aire (mucho mayor que la fuerza del muelle) permitiendo que circule el aire a presión hacia arriba:
La válvula estranguladora¶
Esta válvula, también llamada reguladora de caudal, es una válvula que cierra parcialmente el paso al aire a presión para dejar que circule solo una parte de todo el caudal de aire.
Su función es la misma que tiene un grifo de agua, que permite controlar el chorro de agua con mayor o menor caudal, pero aplicado al aire a presión.
Símbolo de una válvula estranguladora o reguladora de caudal.¶
Internamente la válvula está constituida por un tornillo que acerca o aleja un tapón a la abertura del aire a presión. Cuanto más cerca está el tapón de la abertura, menos caudal de aire permitirá pasar.
Visión interna de una válvula estranguladora o reguladora de caudal.¶
La válvula estranguladora unidireccional¶
Esta válvula está formada por las dos válvulas anteriores en paralelo. Su función es dejar paso libre del aire a presión en un sentido y estrangular el paso del aire a presión en el sentido contrario.
Símbolo de una válvula estranguladora unidireccional.¶
Esta válvula se utiliza normalmente para dejar el paso libre del aire a presión que llega desde la válvula hacia el cilindro y para estrangular el escape de aire desde el cilindro hacia la válvula.
Pistón de doble efecto con velocidad regulada¶
Los pistones neumáticos se suelen mover a velocidades rápidas, la misma velocidad rápida del aire al entrar y salir de las cámaras del pistón.
En ocasiones es necesario reducir la velocidad del pistón para evitar accidentes o empujes demasiado agresivos. Por ejemplo el pistón de apertura y cierre de una puerta de autocar debe tener una velocidad lenta para no golpear a ningún pasajero.
Para conseguir el efecto de movimiento lento del pistón se pueden seguir dos esquemas distintos:
- Estrangular la entrada de aire al pistón y dejar el escape libre.
Este esquema da problemas porque el aire va entrando poco a poco en el pistón y va generando presión hasta que el pistón se mueve a saltos debido a que no hay aire en la cámara contraria. El movimiento no es fluido y el pistón tiene poca fuerza en su desplazamiento.
Pistón de doble efecto con válvulas estranguladoras a la entrada de aire.¶
- Estrangular la salida de aire al escape y dejar entrar aire a presión al pistón sin estrangular.
Este es el esquema que se utiliza en la práctica porque consigue que el movimiento del pistón se realice con suavidad, sin dar trompicones y con toda la fuerza del cilindro.
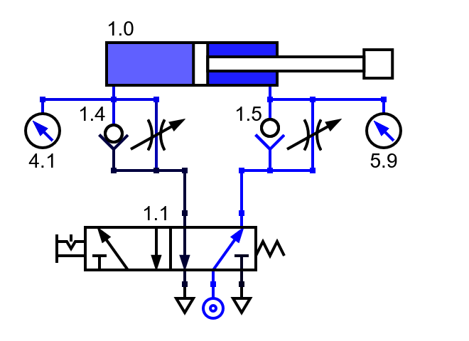
Pistón de doble efecto con válvulas estranguladoras al escape.¶
Funcionamiento de la velocidad regulada¶
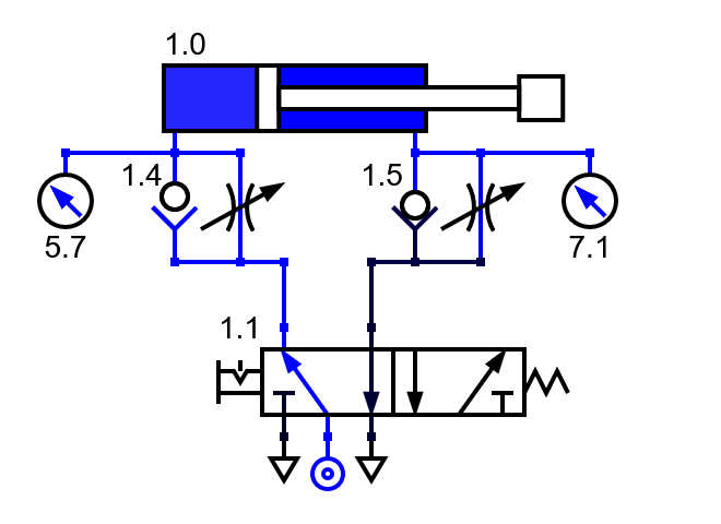
En un primer momento el cilindro se encuentra en reposo con el vástago dentro. La cámara de aire derecha está llena de aire a presión (6 bar) haciendo fuerza para que el vástago permanezca dentro del cilindro:
Pistón de doble efecto con vástago dentro.¶
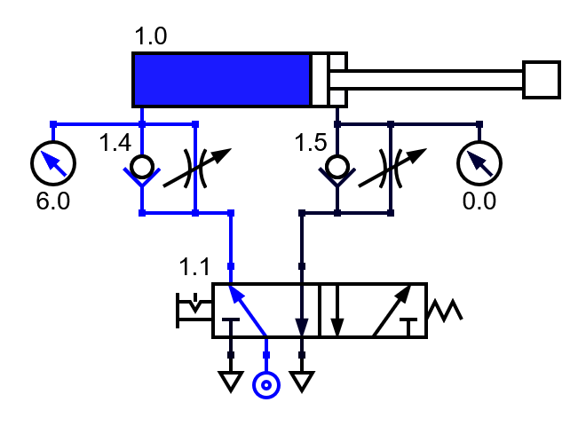
A continuación se acciona la válvula 5/2 y comienza a entrar aire a presión en la cámara izquierda del cilindro. Esta entrada de aire no está estrangulada, por lo que entra con toda la velocidad posible.
En la cámara derecha del cilindro sigue habiendo aire a presión, que sale hacia el escape a través del estrangulador, por lo que esta cámara se vaciará lentamente:
Pistón de doble efecto con vástago saliendo de forma regulada.¶
Este vaciado lento de la cámara derecha es lo que produce un movimiento lento del vástago hacia la derecha.
Ten en cuenta que la presión de la cámara derecha sube por encima de los 6 bar del compresor porque su superficie es menor que por el lado izquierdo.
Al haber presión en ambas cámaras de aire, el pistón se encuentra sin libertad para moverse fuera de la posición que le corresponde. De manera que si intentamos mover el pistón con la mano nos encontraremos que sigue desplazándose lentamente hacia fuera sin alterar su recorrido.
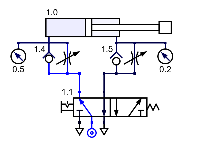
Por último la cámara derecha se vaciará del todo de aire y el vástago saldrá en todo su recorrido.
Pistón de doble efecto con vástago fuera del cilindro.¶
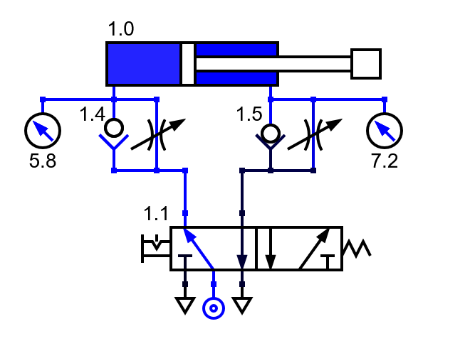
En el movimiento contrario, es necesario que la presión de la cámara izquierda baje por debajo de los 6 bar, para que la parte derecha del cilindro tenga fuerza suficiente para moverla. Recordemos que la cámara derecha tiene menos fuerza que la izquierda.
Pistón de doble efecto con vástago entrando en el cilindro.¶
Simula en el siguiente simulador los movimientos lentos del cilindro de doble efecto con salida de aire restringida por válvula reguladora. Recuerda pulsar la tecla 's' para hacer que la simulación avance paso a paso:
Ejercicios¶
Dibuja el símbolo de una válvula antirretorno en reposo.
Describe el funcionamiento de una válvula antirretorno.
Dibuja el interior de la válvula cuando deja paso al aire a presión.
Dibuja el símbolo de una válvula estranguladora.
Describe el funcionamiento de una válvula estranguladora. ¿Para qué sirve esta válvula?
Dibuja el símbolo de una válvula estranguladora unidireccional.
Describe el funcionamiento de una válvula estranguladora unidireccional.
Dibuja el esquema de un cilindro de doble efecto con las velocidades de salida del aire reguladas.
Dibuja y simula el funcionamiento del circuito anterior en el simulador:
Explica el funcionamiento del circuito anterior. ¿Por qué se mueve el vástago lentamente?
Dibuja y simula un esquema neumático de un cilindro de doble efecto que tenga regulada la velocidad de salida del vástago, pero que deje entrar el vástago a máxima velocidad.

