8. La válvula selectora o válvula OR

La válvula selectora o válvula OR permite que el aire a presión circule desde cualquiera de las vías de ambos lados hacia la vía superior. Esta válvula no permite el paso del aire a presión desde la vía derecha hacia la vía izquierda o viceversa.

El funcionamiento resumido puede explicarse diciendo que la válvula deja pasar el aire a presión cuando le llega aire a presión por la vía izquierda o por la vía derecha, de ahí su nombre.

El símbolo en reposo de la válvula selectora o válvula OR es el siguiente:

Válvula selectora o válvula or.

Válvula selectora o válvula OR.

Cuando se inyecta aire a presión por la vía derecha, la bola central se moverá hacia la izquierda, permitiendo el paso del aire hacia la vía superior e impidiendo que el aire se escape por la vía izquierda.

Válvula selectora con presión en la vía derecha.

Válvula selectora con presión en la vía derecha.

El funcionamiento es semejante cuando se le inyecta aire a presión en la vía izquierda, dejando pasar la presión por la vía superior y no permitiendo que pase aire a presión por la vía derecha.

Válvula selectora con presión en la vía izquierda.

Válvula selectora con presión en la vía izquierda.

Cuando se inyecta aire a presión por las vías derecha e izquierda, el aire a presión sale por la vía superior.

Válvula selectora con presión en ambas vías de entrada.

Válvula selectora con presión en ambas vías de entrada.

Nota

La válvula selectora es distinta a una simple unión de tubos porque impide que el aire a presión se escape por la vía que no tiene presión.

El funcionamiento de la válvula selectora o válvula OR puede resumirse en la siguiente tabla de verdad o tabla lógica:

Tabla de verdad con el funcionamiento de la válvula selectora o válvula OR.
Vía izquierda Vía derecha Vía superior
Sin presión (0) Sin presión (0) Sin presión (0)
Con presión (1) Sin presión (0) Con presión (1)
Sin presión (0) Con presión (1) Con presión (1)
Con presión (1) Con presión (1) Con presión (1)

Cilindro de simple efecto y válvula selectora

En el siguiente circuito simulado, un cilindro de simple efecto es accionado por dos válvulas 3/2 indistintamente. Es decir, al accionar cualquiera de las dos válvulas el vástago del cilindro saldrá hacia fuera:

En las siguientes figuras se puede ver al cilindro accionado desde la válvula izquierda y desde la válvula derecha.

Cilindro de simple efecto con válvula selectora con presión por la izquierda.

Cilindro de simple efecto con válvula selectora con presión por por la izquierda.

Cilindro de simple efecto con válvula selectora con presión por la derecha.

Cilindro de simple efecto con válvula selectora con presión por la derecha.

Es interesante comprobar cómo el aire a presión no se pierde a través del escape de las válvulas en reposo, porque la válvula selectora impide que el aire a presión salga por la vía que no tiene presión.

En el caso de accionar las dos válvulas, el vástago del cilindro también saldrá hacia fuera.

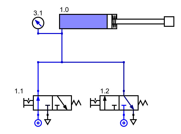
Funcionamiento de una unión de tubos

El funcionamiento de una unión de tubos neumáticos es algo parecida a la de una válvula selectora, con la diferencia de que la presión de una vía puede escaparse por la otra vía si esta se encuentra sin presión:

Cilindro de simple efecto con tubos conectados haciendo la función OR.

Cilindro de simple efecto con tubos conectados haciendo la función OR.

En el circuito anterior, el aire a presión que viene de la válvula izquierda llega al cilindro y hace salir su vástago, pero también se pierde presión por la válvula derecha que se encuentra conectada al escape. Esto se puede ver en el manómetro, que no alcanza los 6 bares de presión del compresor.

El resultado final es que el aire a presión saldrá todo el tiempo por el escape de la válvula en reposo, haciendo mucho ruido, gastando aire y reduciendo la presión del tubo y la fuerza con la que sale el cilindro de simple efecto.

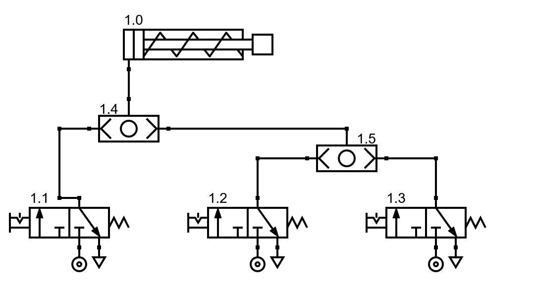
Unión de válvulas selectoras

Las válvulas selectoras neumáticas se pueden disponer en cascada para unir más de dos válvulas neumáticas de control en una sola vía de salida de aire.

El funcionamiento de las válvulas en cascada es semejante al de una sola válvula. Si cualquiera de las vías laterales recibe aire a presión, este aire a presión se dirige hacia la vía superior.

Unión de válvulas selectoras en cascada.

Unión de válvulas selectoras en cascada.

Ejercicios

  1. Dibuja el símbolo en reposo de una válvula selectora neumática.

  2. Dibuja el funcionamiento de una válvula selectora neumática cuando recibe aire a presión por la vía derecha.

    Dibuja el funcionamiento de una válvula selectora neumática cuando recibe aire a presión por la vía izquierda.

  3. Explica el funcionamiento de la válvula selectora y dibuja su tabla de verdad.

  4. Simula el funcionamiento de un cilindro de simple efecto con un vástago que debe salir al accionar una cualquiera de las dos válvulas 3/2 de maniobra:

  5. Dibuja el circuito anterior en papel y explica su funcionamiento.

  6. Simula el funcionamiento de una unión de tubos neumáticos en el simulador:

  7. Dibuja el circuito anterior en papel y explica su funcionamiento.

  8. ¿Qué diferencias hay entre una válvula selectora neumática y una unión de tubos neumáticos?

  9. ¿Para qué sirve la unión de válvulas selectoras neumáticas en cascada?

  10. Simula un circuito que tenga tres válvulas 3/2 que accionen un cilindro de simple efecto. El vástago del cilindro debe salir fuera cuando se accione cualquiera de las tres válvulas individuales.