11. Pneumatic pilot valve

Pneumatic piloting consists of moving a valve into position thanks to the force of pressurized air.

Below you can see the symbol of a pneumatically piloted valve:

Símbolo de la válvula 5/2 con doble pilotaje neumático.

Symbol of the 5/2 valve with double pneumatic pilot.

Pneumatic piloting has two great advantages:

  1. Allows large valves to be easily moved.

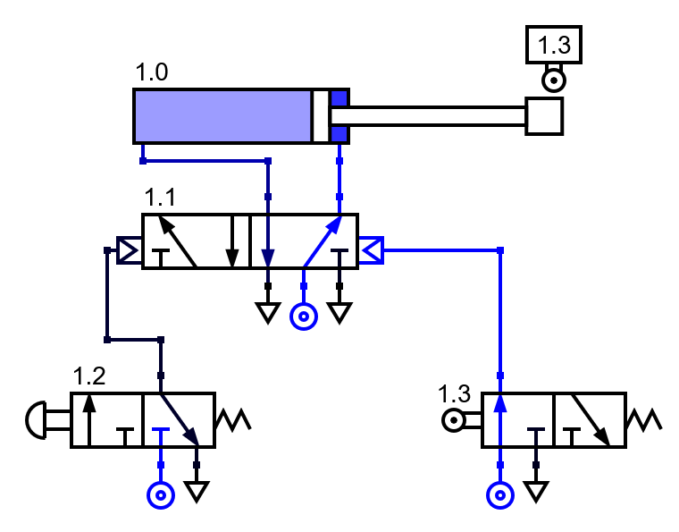
    A 5/2 valve for a large cylinder must also be large and therefore difficult to move manually. Thanks to pneumatic piloting, a small, easy-to-use valve can move large valves with little effort.

    Válvula 5/2 con doble pilotaje neumático.

    Large and heavy 5/2 valve with double pneumatic pilot operated by small 3/2 manual valves.

  2. Allows you to automate movements.

    Thanks to pneumatic piloting, the pneumatic installation itself can activate the cylinder valve to produce automatic movements. For example, a pneumatic roller limit valve can cause a cylinder rod to re-enter once it has detected that it has fully exited.

    Válvula 5/2 con pilotaje neumático automático.

    5/2 valve with automatic pneumatic pilot.

Exercises

  1. Draw the symbol of a 5/2 valve with double pneumatic pilot.

  2. What are the advantages of pneumatic valve piloting?

  3. Draw the diagram of a double-acting cylinder, actuated by a 5/2 double pneumatic pilot valve, which in turn is piloted by two 3/2 manual valves.

  4. Simulates the operation of the previous circuit.

  5. Explain the operation of the above circuit and its advantages.

  6. Draw the diagram of a double-acting cylinder, actuated by a 5/2 double pneumatic pilot valve, which in turn is piloted by a 3/2 manual valve so that the cylinder exits and by a roller valve (limit stroke) so that the cylinder enters.

  7. Simulates the operation of the previous circuit.

  8. Explain the operation of the above circuit and its advantages.