7. Double acting cylinder

A double-acting cylinder is a cylinder that has two air inlet and outlet paths. The rod can come out forcefully when air is injected into the rear and can enter forcefully when air is injected into the front.

Cilindro de doble efecto con vástago dentro.

Double-acting cylinder with rod inside.

Cilindro de doble efecto con vástago fuera.

Double-acting cylinder with rod outside.

In the event that the double-acting cylinder does not have air pressure in either of its two paths, it will have no force in any direction and will be able to move freely without effort, both inside and out. For this reason, the cylinder must always have pressure in one of its two chambers.

Double-acting cylinders are controlled by a 4/2 valve or by a 5/2 valve. Both valves are similar and only differ in the number of exhausts they have (one exhaust for the 4/2 valve and two exhausts for the 5/2 valve).

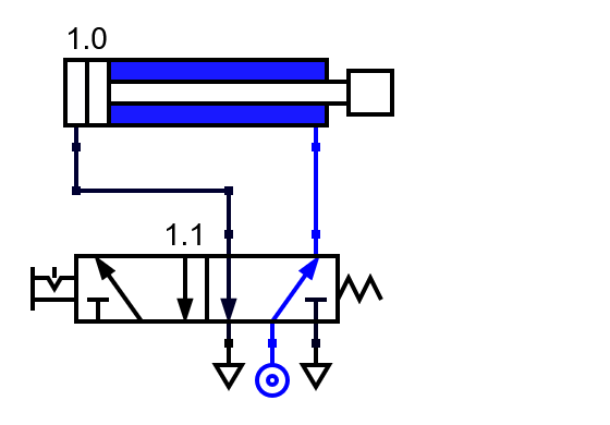
Below is the diagram at rest of the double-acting cylinder piloted by a 5/2 valve:

Cilindro de doble efecto pilotado por una válvula 5/2, en reposo.

Double-acting cylinder controlled by a 5/2 valve, at rest.

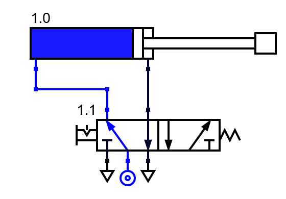
When we activate the 5/2 valve, the air coming from the maintenance unit passes to the upper left valve passage and enters the rear part of the cylinder. As a result, the cylinder fills with air at the rear while air at the front escapes to the atmosphere. The result is that the cylinder rod comes outwards, pushing the load in front:

Cilindro de doble efecto pilotado por una válvula 5/2, saliendo.

Double-acting cylinder piloted by a 5/2 valve, exiting.

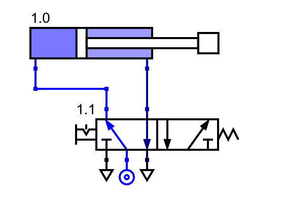
Once the rod has come out to the stop, we find the following diagram:

Cilindro de doble efecto pilotado por una válvula 5/2 accionada.

Double-acting cylinder piloted by an actuated 5/2 valve.

Double piloted cylinder

The output force of the rod is always a little greater than the input force because the compressed air cannot put pressure on the area occupied by the rod. If we inject pressurized air into both chambers of the cylinder, it will come out with little force.

To check it in the simulator, first activate valve 1.2 on the right. Once activated, now activate valve 1.1 on the left. You will be able to see how the rod of the cylinder, little by little, comes out to the stop:

Exercises

  1. Explain the main characteristics of a double-acting cylinder.

  2. Draw a diagram of a double-acting cylinder at rest, with the rod inside, controlled by a 5/2 valve.

  3. Draw a diagram of an actuated double-acting cylinder, with the rod out, controlled by a 5/2 valve.

  4. Simulates the operation of a double-acting cylinder controlled by a 5/2 valve.

  5. What will happen if we remove the exhausts from the 5/2 valve? Simulates operation. Explain how the operation changes when removing the exhaust and explain why it behaves that way.

  6. Use two 3/2 valves to operate a double-acting cylinder in the following simulator:

  7. What can happen in the previous circuit if we activate the two 3/2 valves at the same time?

  8. What can happen in the previous circuit if we do not activate any 3/2 valve?